
Product Center
                  明銳3DAOI——VS7000 系 列 , 采用新一代多投影光機技術 , 可有效解決陰影盲點 , 真實還原元件 。
設備介紹
      產品特點
           
● 采用3D定位技術和FOV定位,準確定位元件及焊盤,不受來料變化的影響
● 3D技術與顏色特征算法的完美結合,高效檢測元件及焊點的不良
● 板彎自動補償,可應對柔性板及因高溫變形的電路板
● 豐富的SPC檢測數據分析,有助于改善并提升工藝品質
● 三點照合功能,快速定位缺陷的根本原因
      產線方案
 
      光學原理及實測缺陷
采用相移投影方式,能準確還原物體的高度信息。
           
     
      技術優勢
      
   
▲ 自動零基準 ▲ 3D定位技術
自動生成基準點,無視PCB 顏色變化及板面干擾,高度 通過3D 定位技術,避免絲印、PCB板面及元件來料顏色
測量更精準。 變化等干擾,可有效解決定位問題。
      
▲ 智能平整性檢測技術 ▲ 3D 與顏色結合算法
平整性檢測與絕對高度檢測的結合,可將來料高度的差異 高度信息與顏色信息的優化應用,全方位還原元件類及
所引起的誤差完全去除 焊點類各種形態。
      特色功能
■ 三點照合 SPI、爐前AOI、爐后AOI 三個設備的連線處理,快速定位 缺陷的根本原因。  | ■ 掃碼自動換線 通過識別PCB 條碼自動調寬并調用程序,無需人工參與, 同時支持MES 指令實現。  | |
■ SPC 預警 實時監測產線生產質量,及時反饋異常狀況,防止批量不良流出。  | ■ 重大不良防呆 有效防止關鍵元件及關鍵不良流出。  | 
規格參數
設備型號  | V57000(單軌)  | V57000D(雙軌)  | V57000XL(加大單軌)  | |
影像系統  | 相機  | 12MP工業相機  | ||
分辨率  | 15μm、12μm、10μm  | |||
FOV  | 60*45mm(12MP,15μm)  | |||
光源  | 4色環形程控LED光源(RGBW)  | |||
高度測量方式  | 結構光柵*4  | |||
送板機構  | X/Y運動  | AC伺服雙驅  | ||
基臺  | 大理石  | |||
軌道調寬方式  | 自動調整  | |||
軌道型式  | 皮帶  | |||
進板流向  | 左至右或者右至左(出廠前設定)  | |||
固定軌  | 單軌:1軌固定;雙軌:1軌固定(可設1、3或1、4固定)  | |||
硬件配置  | 操作系統  | Win 10  | ||
通信方式  | Ethernet,SMEMA  | |||
電源  | 單相220V,50/60Hz,5A  | |||
氣壓  | 0.4-0.6Mpa  | |||
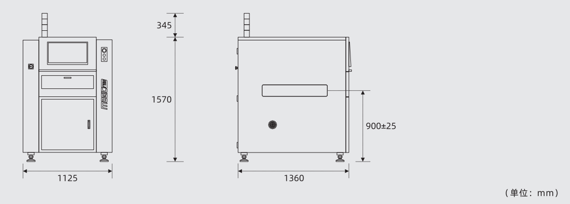
軌道高度  | 900±25mm  | |||
機器尺寸  | L1125mm*D1360mm*H1570mm(不含燈)  | L1295*D1360*H1570mm(不含燈)  | ||
重量  | 1100kg  | 1150kg  | 1300kg  | |
檢查PCB規格  | 尺 寸  | 50*60-510*510mm  | 雙軌啟用:50*60-510*320mm 單軌啟用:50*60-510*560mm  | 50*80-650*610mm  | 
厚度  | 0.6-6.0mm  | |||
翹曲  | ±3.0mm  | |||
凈高  | 上凈高25-50mm可調,下凈高45mm  | |||
工藝邊  | 3.0mm  | |||
PCB重量  | ≤3.0kg  | |||
檢查項目  | 元件類  | 錯件,缺件,極性,偏位,翻件,破損,IC彎腳,IC翹腳,異物,浮高,傾斜、立碑等  | ||
焊錫類  | 無錫,少/多錫,虛焊,橋接,錫球等  | |||
檢查元件  | Chip:03015及以上(3D);LSI:0.3mm間距及以上;其他:異型元件  | |||
檢測能力  | 高度解析原  | 0.37μm  | ||
檢查速度  | 450ms/FOv  | |||
外形尺寸

Copyright ? 2022 深圳市富思邁科技有限公司 版權所有 粵ICP備11085095號
技術支持:01THINK
        
        
        